Метчики по металлу –группа инструментов, которые используются для нарезания резьбы, в металлических заготовках. К их помощи прибегают в случаях, когда требуется создание надёжных резьбовых соединений. Благодаря своей универсальности и лёгкости в обращении, они применяются как в промышленности, так и в бытовых условиях.
Назначение метчиков по металлу
Основное назначение метчиков по металлу – создание резьбы с заданным шагом. Их используют для:
- нарезания внутренней резьбы;
- восстановления поврежденной резьбы;
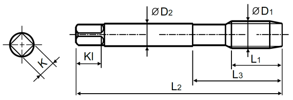
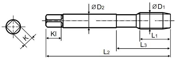
Представленные метчики
Существует много вариантов конструкции метчиков по металлу, каждая из которых предназначена для выполнения определённых задач:
- ручные: этот вариант используется для нарезания резьбы и выполнения мелких слесарных работ. При этом для их использования требуется специальный инструмент, который выступает в качестве рычага;
- машинные: используются в качестве инструмента для токарных, сверлильных или фрезерных станков, изготавливаются из прочных сплавов и могут отличаться по типу канавок для отвода стружки или наличию дополнительного покрытия;
- гаечные: как следует из названия, такие метчики по металлу используются для изготовления гаек, благодаря удлинённому хвостовику их возможно использовать в промышленном производстве;
- метчики для обратной резьбы: в некоторых механизмах используется обратная «левая» резьба. Для её нарезания используются специальные метчики по металлу с соответствующим направлением резьбовых канавок.
Вас также могут заинтересовать сверла по металлу и оснастка для станков
Вопросы и ответы
Ручные — для нарезания резьбы вручную (с воротком), имеют длинную заборную часть. Машинные — для работы на станках (токарных, сверлильных), короче и прочнее для высоких скоростей и нагрузок.
Это набор из 2-3 метчиков (черновой, промежуточный, чистовой), которые используют последовательно. Нужен для нарезания глубокой или точной резьбы в твердых материалах, чтобы распределить нагрузку и повысить качество.
Подбирайте строго по стандартной маркировке. Ключевые параметры — номинальный диаметр (например, М8) и шаг резьбы (например, 1.25 мм). Они указаны на метчике (М8х1.25).
Гаечные метчики имеют удлиненный хвостовик. Это позволяет нарезать резьбу в нескольких гайках подряд, не снимая их, что ускоряет массовое производство на станках.
Для таких материалов (нержавейка, алюминий, титан) нужны специальные метчики. Обычно они изготавливаются из кобальтовой стали (HSS-Co) и имеют особую геометрию канавок для лучшего отвода вязкой стружки и снижения риска заклинивания.
Это метчик для нарезания левой (обратной) резьбы, где завинчивание происходит против часовой стрелки. Применяется в специальных узлах для предотвращения самоотвинчивания от обычного вращения (например, на валах, в соединениях под нагрузкой).





