Вопросы и ответы
Выбор зависит от операции. Треугольные (T) и ромбические (C, D) — для универсального точения. Квадратные (S) — для торцевого точения и черновой обработки. Круглые (R) — для чистовой обработки и тяжелых условий.
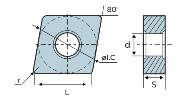
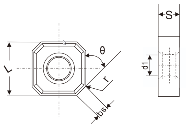
Маркировка ISO — ваш главный ориентир. Она последовательно указывает ключевые параметры: форму, задний угол, тип крепления, размеры и радиус при вершине, позволяя точно подобрать пластину.
CVD-покрытие толще, лучше защищает от абразивного износа, подходит для тяжелого резания. PVD-покрытие тоньше, сохраняет остроту кромки, идеально для чистовой обработки и нержавеющих сталей.
Используйте группы применения по ISO. Для стали (P) — пластины, устойчивые к износу (например, YG3010). Для нержавейки (M) — с высокой термостойкостью. Для чугуна (K) — стойкие к абразиву. Для цветных металлов (N) — специальные сплавы.
Радиус влияет на прочность и качество. Малый радиус — для чистовой обработки, но кромка менее прочная. Большой радиус — для черновой, повышает прочность и отвод тепла.
Да, мы поставляем только оригинальные пластины YG-1. Это гарантирует их точное соответствие параметрам, совместимость с держателями и заявленную производительность.






